Купить Гофра инжектора Ауди КУ7, К7 (2005 - 2015) на авторазборке для иномарок Europodbor.ru в Новосибирске.
Выберите гофра инжектора для Audi Q7 4L по цене и состоянию из предложенных ниже объявлений из каталога для оформления заказа.
-
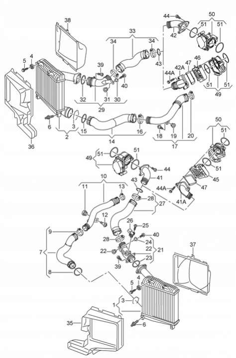
Гофра инжектора к Audi Q7 4L, 2007
- Название:Патрубок воздушного фильтра (гофра инжектора)
- Артикул: AS-2153618
- Под заказ: Под заказ
- Номера запчасти: 7M6128752
- Авто: 3.0
2030
























































































































































































































