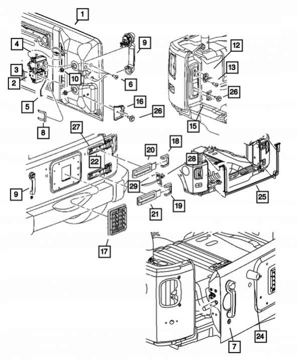
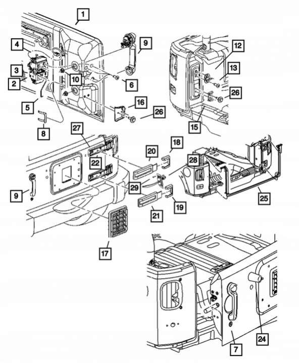
Объявления о продаже оригинальных запчастей в категории кузовщина для Джип Рэнглер (2006, 2007, 2008, 2009, 2010, 2011) от авторазборки иномарок Europodbor в Новосибирске.
Подберите необходимую запчасть в онлайн каталоге для оформления заказа.
Какая запчасть Вас интересует?
- А
- Амортизатор багажника
- Арка задняя левая
- Арка задняя правая
- Арка передняя левая
- Арка передняя правая
- Б
- Бампер задний
- Бампер передний
- Борт откидной
- В
- Воздухозаборник
- Д
- Дверь задняя правая
- Дверь передняя левая
- Дверь передняя правая
- Дуги на крышу (рейлинги)
- З
- Замок двери
- Замок зажигания
- Замок капота
- Замок крыши
- Замок крышки багажника
- Замок ремня безопасности
- Защита (пыльник) двигателя
- Защита арок (подкрылок)
- Защита днища
- Зеркало левое
- Зеркало правое
- К
- Капот
- Крепление запаски
- Кронштейн (крепление)
- Крыло переднее левое
- Крыло переднее правое
- Крыша
- Крышка багажника (дверь 3-5)
- Крюк буксировочный
- Л
- Лючок бензобака
- М
- Молдинг лобового стекла
- Н
- Накладка (молдинг) заднего правого крыла
- Накладка (молдинг) крыла
- О
- Ограничитель двери
- Ответная часть (скоба) замка двери
- П
- Панель передняя (телевизор)
- Передняя часть кузова (ноускат) в сборе
- Петля двери
- Петля двери задней правой
- Петля капота
- Петля крышки багажника
- Планка под капот
- Подножка (усилитель подножки)
- Р
- Решетка радиатора
- Решетка стеклоочистителя (Дождевик)
- Ручка крышки багажника
- Ручка наружная
- Ручка открывания капота
- У
- Уплотнитель (прочее)
- Ф
- Фаркоп
-
Капот к Jeep Wrangler JK, 2012
Капот Джип Вранглер. . Дефекты: вмятины, царапины
- Название:Капот Jeep Wrangler
- Артикул: SS-W36911
- Под заказ: Под заказ
- Номера запчасти: artmam35173
19320 -
Молдинг лобового стекла к Jeep Wrangler JK, 2017
- Название:Молдинг стекла (лобовое)
- Артикул: 52142482
- Под заказ: Под заказ
- Номера запчасти: 55395579AF
2700 -
Крыло переднее правое к Jeep Wrangler JK, 2019
- Название:Крыло переднее правое Jeep Gladiator (2019-) 6880312
- Артикул: CRD-70283525
- Под заказ: Под заказ
26052 -
Капот к Jeep Wrangler JK, 2020
без воздухозаборника
- Название:Капот Jeep Wrangler JL (2017-) 6880280
- Артикул: CRD-70292791
- Под заказ: Под заказ
65840 -
Решетка радиатора к Jeep Wrangler JK, 2009
- Название:Решетка радиатора AVG 6879950
- Артикул: CRD-70300154
- Под заказ: Под заказ
- Номера запчасти: 6879950
14991 -
Решетка радиатора к Jeep Wrangler JK, 2009
Артикул: brn-6879950
- Название:Решетка радиатора AVG 6879950
- Артикул: 1-brn-6879950
- Под заказ: Под заказ
17600 -
Ограничитель двери к Jeep Wrangler JK, 2019
- Название:Ограничитель открывания двери
- Артикул: pza-163916
- Под заказ: Под заказ
- Номера запчасти: 68297668B
1500 -
Зеркало правое к Jeep Wrangler JK, 2007
- Название:Зеркало наружное правое
- Артикул: PNK-CB10048457
- Под заказ: Под заказ
- Номера запчасти: 22633014
31769 -
Передняя часть кузова (ноускат) в сборе к Jeep Wrangler JK, 2006
- Название:Передняя часть (ноускат) в сборе
- Артикул: PLD-e12275342
- Под заказ: Под заказ
- Номера запчасти: 2007-18
96788 -
Стекло зеркала правого к Jeep Wrangler JK, 2007
- Название:Стекло зеркала наружного правого
- Артикул: PNK-133701
- Под заказ: Под заказ
- Номера запчасти: 22633014
55437 -
Зеркало левое к Jeep Wrangler JK, 2006
- Название:Зеркало наружное левое
- Артикул: PLD-e11783761
- Под заказ: Под заказ
- Номера запчасти: 18-59600-000
41217 -
Крышка багажника (дверь 3-5) к Jeep Wrangler JK, 2006
- Артикул: PLD-e11381751
- Под заказ: Под заказ
- Номера запчасти: 55395401AH 55395401AH K55395401AH P55395401AH
26100 -
Крышка багажника (дверь 3-5) к Jeep Wrangler JK, 2006
- Артикул: PLD-e11301778
- Под заказ: Под заказ
- Номера запчасти: 55395993AB 55395993 55395993AA 55395993AB K55395993AB P55395993AB
15117 -
Зеркало правое к Jeep Wrangler JK, 2006
- Название:Зеркало наружное правое
- Артикул: PLD-e11245299
- Под заказ: Под заказ
- Номера запчасти: A078542
13377

































































































































































































































































